1600kVA 11kV S11 Oil Immersed Distribution Transformer for South Africa Utility

1600kVA 11kV S11 Oil Immersed Distribution Transformer for South Africa Utility

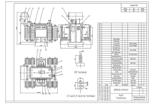
This project features a high-efficiency 1600kVA S11-series oil-immersed distribution transformer delivered to South Africa. Designed for reliable 11kV to 0.4kV step-down, this unit utilizes a Delta-Star (Dyn11) connection and premium copper windings. Engineered by YEEG to meet IEC60076 standards, it ensures low-loss performance and a 0% fault rate for critical regional power distribution infrastructure.
Application
Utility Distribution Network
Rated Voltage
11/0.4 kV
Rated Capacity
1600 kVA
Transformer Type
Oil Immersed Distribution Transformer

Project Background

In 2024, YEEG provided a critical power distribution solution to address infrastructure expansion in South Africa. The project required a highly reliable 11kV transformer capable of sustained performance in local grid conditions. The S11-series was selected for its optimized energy efficiency and robust cooling architecture, ensuring long-term operational stability for the client's distribution network.

Key Challenges

  • Ensuring strict compliance with IEC60076 standards to guarantee a zero-fault record in a critical utility application.
  • Achieving precise impedance and low-loss targets (1.6kW no-load loss) to maximize regional grid efficiency.
  • Designing a durable tank and cooling system capable of maintaining thermal equilibrium under South Africa's ambient conditions.

Scope of Work

  • Technical design and manufacturing of the S11-1600kVA-11/0.4kV oil-immersed transformer.
  • Integration of a Delta-Star (Dyn11) connection with a primary-side NLTC tap changer (±2*2.5%).
  • Execution of full factory acceptance testing (FAT) to verify dielectric strength and load performance.

On-Site Gallery

Engineering Considerations

YEEG utilized high-grade copper windings and premium CRGO silicon steel cores to significantly reduce both on-load and no-load losses. The S11-series architecture incorporates advanced ONAN (Oil Natural Air Natural) cooling to ensure reliable heat dissipation. Special attention was paid to the hermetic sealing of the tank to prevent oil degradation and minimize maintenance requirements over the equipment's 10-year+ expected lifespan.

Project Outcome

Successfully delivered and commissioned in 2024, the transformer has maintained a flawless operational record with zero reported faults. The project stands as a testament to YEEG's engineering quality, providing the South African utility market with a reliable, high-efficiency power distribution asset that continues to perform at peak capacity.

Planning a Similar Project?

Our engineering team specializes in custom transformer solutions for unique industrial requirements. Let's discuss your specific power infrastructure needs.

View All Projects